Vekas.fi - Paljut suoraan valmistajalta!
Paljun kamina 25kW
Paljun kamina 25kW
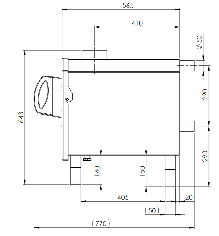
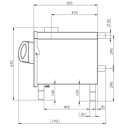
Pieni mutta sähäkkä kamina, joka soveltuu mainiosti pienempien paljujen lämmittämiseen. Isommatkin altaat kyllä lämpiää ajan kanssa, koska kamina on valmistettu kestävästä ja hyvin lämpöäjohtavasta merialumiinista. Kaminaaan käy 110mm halkaisijaltaan oleva piippu ja vesiletkujen lähdöt ovat 50mm letkuille.
Tyhjennystulppa on näppärästi kaminan oikealla puolella heti tukijalan takana.
Kuten kaikkiin Vekas-tuotteisiin, löytyy tähän kaminaan varaosia kuten esim. arina.
Tuotetiedot
Leveys: 36cm,
Korkeus: 61cm
Syvyys: 56,5cm, 75cm(kahva ja vesiletkujen lähdöt huomioiden)
Paino: 26,5kg
Yhteensopivuus: Piippupaketti 110mm, Vesiletku 50mm, Ilmanohjainpelti, Arina,
Noudon saatavuutta ei voitu ladata
