Vekas.fi - Paljut suoraan valmistajalta!
Paljun kamina 45kW kolmella vesilletkun lähdöllä
Paljun kamina 45kW kolmella vesilletkun lähdöllä
No nyt on tehokas ja laadukas kamina kolmella 75mm vesiletkun lähdöllä. Vesiletkujen lähdöt on kaminan edestäpäin katsottuna oikealla sivulla. Riittävän isossa tulipesässä loimuava tuli luo lasikuukusta heijastaen lämmintä tunnelmaa. Elävää tulta ei kyllästy katselemaan!
Jotta paljuilu olisi turvallista ja huoletonta, löydät meiltä myös kattavat oheistuotteet kaminoille. Löydät meiltä laadukkaat kaminan piiput, valmiit piippupaketit helppoon asennukseen sekä tarvittavat lisävarusteet. Varmista tulipesän turvallisuus valitsemalla mukaan myös sopiva piipun kipinäsuoja ja lämpösuoja.
Tehokkaat kamiinamme ja niihin sopivat tarvikkeet tekevät paljusta nauttimisesta vaivatonta ja nopeaa, jotta voit keskittyä olennaiseen: rentoutumiseen ja hyvään seuraan. Laadukas paljun kamiina ja oikeanlainen kaminan piippu suojaosineen mahdollistavat huolettomat ja lämpimät kylpyhetket perheesi ja ystäviesi kanssa.
Tilaa nyt kotimaiselta asiantuntijalta ja varmista, että paljuilukauden aloitus on vain lyhyen toimitusajan päässä!
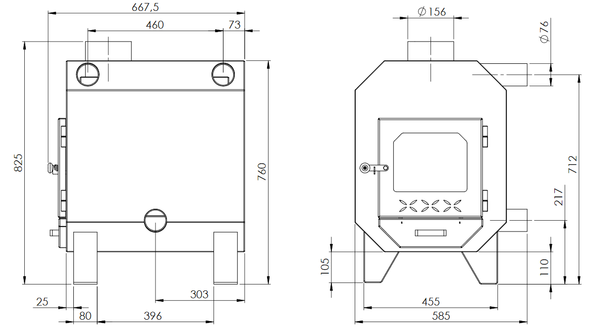
Tuotetiedot
Leveys: 48cm
Korkeus: 76cm(82,5cm piipunlähtö huomioiden)
Syvyys: 66,8cm
Paino: 45kg
Yhteensopivuus: Piippu 150mm, Vesiletku 75mm, Arina, Piipun lämpösuoja,
Noudon saatavuutta ei voitu ladata
